Проектирование фундаментов в Project StudioCS Фундаменты 4.5
Набор команд для расчета и проектирования монолитных ленточных фундаментов на естественном основании
Набор команд для расчета и проектирования ленточных сборных фундаментов на естественном основании
Набор команд для расчета и проектирования ленточных фундаментов на свайном основании
Набор команд для расчета и проектирования разверток стен подвалов из фундаментных блоков
Project StudioCS Фундаменты (www.project-st.ru) входит в разработанную российской компанией CSoft Development (www.csoft.ru) (до июня 2007 года — Consistent Software Development) архитектурно-строительную линейку проектирования. Все модули программы работают в стандартной среде Project StudioCS (на базе AutoCAD 2004/2005/2006/2007), располагающей множеством полезных функций.
Наличие в составе модуля пакета команд для расчета, проектирования и вычерчивания столбчатых и ленточных фундаментов на естественном и свайном основании превратило модуль «Фундаменты» из чертежного приложения AutoCAD (www.autocad.ru) в мощный расчетно-чертежно-проектирующий комплекс.
В состав новейшей версии модуля включен пакет команд для расчета, проектирования, конструирования и вычерчивания элементов монолитных ленточных фундаментов на естественном основании.
Расчеты всех видов фундаментов выполняются на основные и особые (сейсмические) сочетания нагрузок в режимах прямой или обратной задачи.
В новой версии модуля усовершенствованы некоторые команды комплекса, выявлены и устранены незначительные ошибки и погрешности технологии.
Например, отказ от условного изображения свай на плане в виде окружностей позволил отрисовывать квадратные инвентарные сваи.
Отличительной особенностью современного модуля «Фундаменты» является полная интеграция расчетных и проектирующих модулей в среду AutoCAD.
Набор команд для расчета и проектирования столбчатых фундаментов на естественном и свайном основаниях
Подготовка данных к расчету производится в едином диалоговом боксе — с одновременным контролем формальных ошибок пользователя. Результаты расчета и проектирования мгновенно отображаются на чертеже.
Пакет «Фундаменты» условно разделяется на две части: фундаменты на естественном и свайном основаниях.
Наиболее мощным компонентом пакета «Фундаменты» является набор команд для расчета фундаментов на естественном и свайном основаниях под колонны зданий и сооружений, а также для проектирования и конструирования соответствующих арматурных изделий, подготовки полного комплекта чертежных документов.
Команды расчета и проектирования разных типов фундаментов имеют одинаковый набор, вид и структуру диалоговых боксов, что обеспечивает преемственность диалога и использование одинаковых приемов работы.
Расчеты фундаментов выполняются на основные и сейсмические сочетания нагрузок.
Особенности программы позволяют определять требуемое количество арматуры в фундаменте как в бесконечно жестком брусе, лежащем на упругом основании, из расчета его на выгиб реактивным давлением грунта в сечении между далеко разнесенными колоннами.
Для управления результатами расчета реализован удобный аппарат, позволяющий с помощью задаваемых пользователем ограничений на развитие подошвы, соотношения сторон фундамента, количества свайных рядов в ростверке, смещения центра тяжести подошвы, граничных значений прочности грунта, допускаемых вертикальных и горизонтальных нагрузок на сваю, осадки и крена, успешно добиваться требуемых проектных решений.
Расчет основания выполняется с учетом проверки кровель подстилающих слоев, учитывается и дополнительное давление влияющих фундаментов.
После успешного завершения расчета на схеме расположения вычерчиваются опалубочные габариты подошвы, подколонник, анкерные болты и упоры. Итоговая информация отображается в области результатов (с формированием сообщения о характеристике критерия, определившего развитие подошвы и высоты ступеней).
При неудачной попытке запроектировать фундамент программа выдает сообщение о причине неудачи.
В обоих случаях формируется подготовленный для печати файл с исчерпывающим набором выходной информации, включающей сведения о компонентах расчетных сочетаний, формах эпюр давлений под подошвой, с отображением форм неполного касания при отрыве от расчетных и нормативных нагрузок.
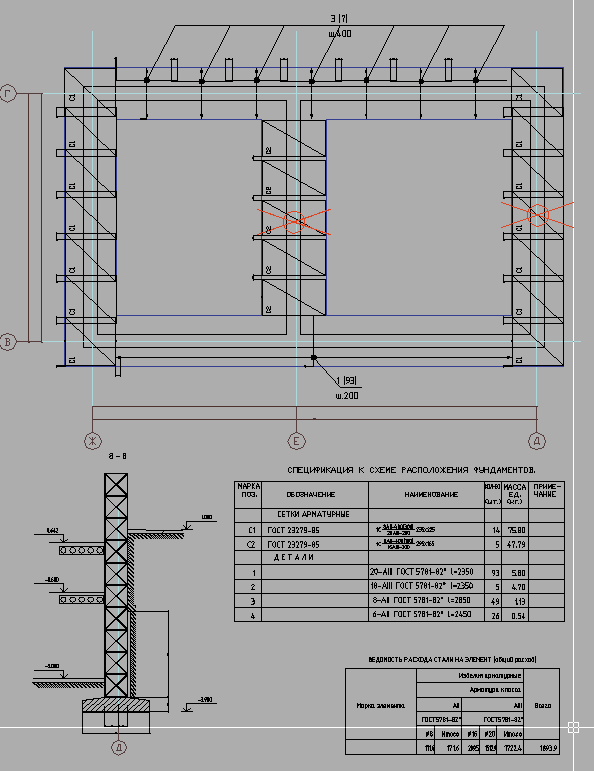
По результатам расчета программа дает возможность конструировать все типы арматурных изделий и формировать общую ведомость расхода стали. В процессе конструирования возможно увеличение назначенных по расчету диаметров стержней.
Шаг за шагом, используя функции команды в диалоговом режиме, пользователь формирует полный комплект чертежной документации и самостоятельно располагает на экране его компоненты.
Программа вычерчивает проекции опалубочного чертежа заданной ориентации со схемой расположения арматурных каркасов. Диаметры стержней, их привязки и расположение в «теле» фундамента в точности соответствуют реальной ситуации.
Возможно создание как общей ведомости расхода стали на арматурные изделия, детали, анкерные болты и закладные упоры, так и локальных ведомостей на отдельные типы арматурных изделий — например, только на вертикальные каркасы подколонника.
При разработке модуля «Фундаменты» использованы положения серии 1.412.1-6 «Фундаменты монолитные железобетонные на естественном основании» (1988 г.).
Набор команд для расчета и проектирования монолитных ленточных фундаментов на естественном основании
Этот набор команд является новейшей разработкойи предназначен для расчета и проектирования монолитных ленточных фундаментов при воздействии эксплуатационных и сейсмических нагрузок.

Программа выполняет расчет основания, подбирает требуемую ширину подошвы фундамента в режиме прямой или обратной задачи.
Раскладка на схеме расположения арматурных сеток или отдельных стержней выполняется в полуавтоматическом диалоговом режиме, с автоматическим созданием спецификаций и ведомости расхода стали.
В состав набора входят следующие компоненты:
- расчет фундамента;
- редактирование контуров фундаментов;
- конструирование арматурных изделий (раскладка сеток и отдельных стержней на схеме расположения);
- создание спецификаций сеток или отдельных стержней;
- маркировка отдельных стержней;
- создание ведомости расхода стали.
Команда Расчет ленточного фундамента
Команда Расчет ленточного фундамента предназначена для расчета и отрисовки контуров ленточных фундаментов на основные и особые (сейсмические) нагрузки в режиме прямой или обратной задачи.
Боковое давление обводненного грунта, в том числе во время сейсмического толчка, определяется программой автоматически, как и подсчет весовых нагрузок, расположенных на консолях плиты. Возможна блокировка автоматического сбора горизонтальных нагрузок или регулировка их величин.
Головной диалоговый бокс команды сохраняет структуру и вид головных боксов для расчета столбчатых фундаментов.

Команда Конструирование фундамента
Команда Конструирование фундамента выполняет в полуавтоматическом диалоговом режиме раскладку сеток, отдельных продольных или поперечных стержней у верхней или нижней грани фундаментной плиты.
Пользователь размещает на схеме сетки или отдельные стержни, предварительно указав границы раскладки и параметры применяемых арматурных изделий.
Возможны многократные попытки раскладки при измененных параметрах, вплоть до достижения приемлемого результата.

Команды Спецификации и Ведомости расхода стали
Процесс создания спецификаций и ведомости расхода стали полностью автоматизирован, при этом пользователь может предварительно выбрать порядок следования строк в спецификациях, указав один из возможных режимов сортировки арматурных изделий: по убывающему/возрастающему весу, по возрастающим/убывающим диаметрам поперечных или продольных стержней.
Возможно получение справочных ведомостей расхода стали по отдельным типам арматурных изделий.
Одновременно с созданием спецификаций автоматически маркируются арматурные сетки, процесс маркировки отдельных стержней выполняется в полуавтоматическом режиме с указанием положения выносных маркировочных реквизитов.
Набор команд для расчета и проектирования ленточных сборных фундаментов на естественном основании
Программа выполняет расчет основания по деформациям и несущей способности на эксплуатационные и сейсмические нагрузки, отрисовывает контуры лент, раскладывает в полуавтоматическом диалоговом режиме фундаментные плиты сплошного или прерывистого размещения.
Допустимость применения серийных плит контролируется программой по величинам расчетных реактивных давлений.
Боковое давление обводненного грунта, в том числе во время сейсмического толчка, определяется программой автоматически, как и подсчет весовых нагрузок, расположенных на консолях плиты (возможна его корректировка).
Любая корректировка чертежа потребует от пользователя лишь повторного создания спецификаций, при этом маркировка будет обновлена автоматически, а старые спецификации перед формированием новых — стерты.

Набор команд для расчета и проектирования ленточных фундаментов на свайном основании
Программа трассирует и отрисовывает однорядные и многорядные свайные ленты линейной, дуговой или круговой конфигурации, расставляет и нумерует сваи, автоматически выполняет их визуальную индикацию, отрисовывает контуры ростверка, размещает на чертеже спецификацию и таблицу отметок.
Поддерживается возможность автоматической нумерации свай в трех различных режимах: сквозную, по типам свай, принадлежащих ростверкам различных видов, и по группам свай, выбираемых пользователем в произвольной последовательности.
Визуальная индикация свай различных марок полностью автоматизирована и не требует вмешательства пользователя. Также автоматически формируются спецификация свай и таблица отметок.
Внесение каких-либо изменений в чертеж потребует лишь повторной перенумерации и повторного создания спецификации и таблицы отметок.
Набор команд для расчета и проектирования разверток стен подвалов из фундаментных блоков
Этот набор команд предназначен для проектирования и вычерчивания разверток стен из фундаментных блоков типа ФПБ и ФБС.
Программа формирует заготовку развертки, выполняя перенос с плана строительных осей, а затем в диалоговом режиме последовательно осуществляет:
- перенос с плана на боковую проекцию стены поперечных стен, оконных, дверных и прочих проемов (возможна отрисовка по произвольным габаритам и привязкам);
- полуавтоматическую расстановку стеновых блоков в обозначаемых границах;
- перестановку и удаление стеновых блоков;
- перестановку и удаление монолитных заделок;
- маркировку стеновых блоков и создание спецификации с записью о расходе монолитного бетона заделок на всей схеме расположения.
В процессе проектирования программа способна переносить изображения фундаментных плит с плана на проекцию стены на развертке с одновременным формированием отметок их низа.
Другие возможности Project Studio CS Фундаменты вписаны в общую концепцию пакета: они представляют собой удобные инструменты проектирования элементов нулевого цикла.
Несколько слов о перспективах
Вкратце они сводятся к следующему:
- разработка модуля расчета осадок столбчатых фундаментов обоих типов при замачивании просадочных грунтов;
- разработка модуля расчета одиночной сваи на горизонтальную нагрузку;
- разработка модуля определения несущей способности одиночной сваи на вертикальную нагрузку (что не исключает возможности уже сейчас определять эту несущую способность при использовании модуля расчета столбчатого фундамента на свайном основании);
- разработка модуля расчета, проектирования и вычерчивания линейных свайных ростверков с возможностью проектирования арматурных изделий к ним (аналог монолитных лент на естественном основании);
- автоматическая отрисовка сечений по стенам и ленточным фундаментам подвальных этажей в монолитном, сборном и сборно-монолитном исполнении.
Разработчики будут признательны пользователям за замечания, касающиеся развития программы Project StudioCS Фундаменты.



